安徽滁州技师学院官网欢迎您!

设为首页 | 加入收藏

国家中等职业教育改革发展示范学校
全国中小学优秀文化艺术传承学校
国家级高技能人才培训基地
全国国防教育示范学校

学校首页

滁州市机电工程学校教室手机充电柜安装工程

发稿: 发布时间:2014-12-23 阅读次数:

请点击下载源文件滁州机电工程学校教室手机充电柜安装工程招标公告(代招标文件).doc

滁州市机电工程学校教室手机充电柜安装工程

邀请招标公告(代招标文件)

一、项目需求

1、工程地点:滁州市机电工程学校 

2、工程内容:滁州市机电工程学校教室手机充电柜制作、安装和调试,踢脚线的拆除、修补和垃圾的清运、总电源线安装(含管线)。

3、工程概况:本项目拟在滁州市机电工程学校44个教室内各安装5个手机充电柜,投资估算价约 9.8 万元。

4、招标方式:邀请招标

5、标段划分:一个标段

6、计划工期: 15个日历天(含制作、安装和调试) 

7、质量要求:必须达到国家工程施工质量验收合格标准 

8、材料与制作安装要求:

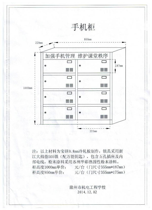
1手机充电柜必须严格按照校方提供的图纸进行施工(详见后附图),材料为宝钢0.8mm冷轧板制作,锁具采用浙江大拇指505锁(配万能钥匙),包含五孔插座及内部电线,粉末涂料采用苏州华彩热固性粉末涂料。

2踢脚线的拆除、修补和垃圾的清运,总电源线安装(含管线),总电源线须采用BV2.5铜芯线。

9、付款方式:工程安装调试合格后支付合同价款的95%,剩余5%作为质量保证金(质保期为一年,如果无质量问题,在质保期满后,校方一次性支付质保金)。

二、投标人资格要求

1、符合《政府采购法》第二十二条规定;

2、具有独立法人资格的文件柜生产厂家或具备办公家具经营资质的经销商

3、具备已年检合格的企业营业执照

4、本项目需拟派一名持有电工证的技术人员

三、报价要求

本次报价只允许有一个方案、一个报价、多方案、多报价的将不被接受

1、投标单位的报价包含教室手机充电柜制作、安装和调试,踢脚线的拆除、修补和垃圾的清运、总电源线安装(含管线)等一切费用。

2、本项目最高限价为98000元,超出的投标报价将被拒绝。

3、报价函采用密封递交,要经法定代理人或其授权代表签字、盖章;如为授权代表签字,请附法定代表人授权书。密封函应加盖公章。

4、报价时间及地点

时间:报价人需在2014年12月25日15:30分,做出一次性书面报价。

地点:滁州市机电工程学校综合楼三楼会议室

联系电话: 18949487799、13955006738

5、投标保证金

投标保证金: 5000元人民币,保证金必须在2014年12月25日15:30分前带至开标现场以现金方式(密封注明投标单位名称加盖公章)缴纳至招标人。未按要求缴纳保证金的投标文件将被拒绝。

中标人的投标保证金现场转为履约保证金,至工程竣工验收合格后退还;如不中标则当场退还。

四、资格审验

报价前,招标人对报价人提供的下列资料原件(手持或封入投标文件袋中均视为携带)进行审验,审验合格者接受报价,否则拒绝其报价。

1、法定代表人资格证明文件或其授权书;

 2、被授权人身份证 ;  

3、本项目投标邀请书原件;

4、投标人是生产厂家,需提供年检合格的营业执照副本原件;

5、投标人是经销商的,须提供本单位年检合格的营业执照副本原件

6、拟派本项目技工的电工证

上述资料的复印件(加盖投标单位公章)请按顺序装订(封入投标文件袋),同时原件携带(手持或封入文件袋)至开标现场,以便效验;未按规定携带原件或携带不全的投标人,投标将被拒绝。审核结束原件退还报价人。

五、评标办法

经评审的最低价法。


投标文件组成

1、封面

                     项目

投  标  文  件

投标人名称:(盖章) 

签署日期:

2、投标报价函和承诺书

致: 滁州市机电工程学校:

我方己经认真阅读《滁州市机电工程学校学校教室手机充电柜安装工程招标公告》,决定参加报价。

1、我方愿意以人民币(大写)          元,(小写)¥     元投标报价。

2、一旦我方中标,我方承诺将严格履行合同约定的责任和义务,并保证于合同签字生效后,认真完成本工程的全部工作。

3、我方为本项目提交的报价文件一式三份,其中正本一份、副本二份。

4、我方愿意提供贵单位所要求的与投标有关的文件资料,并保证我方提供的文件真实、准确。

单位名称:                      (公 章)   

法定代表人或其委托代理人签名:              

                     日    期:                                  

地    址:                                  

电    话:                                  

3、法定代表人授权书

滁州市机电工程学校:

(报价人全称)  的法定代表人          授权  (报价人姓名)为投标人代表,代表本公司参加贵单位组织的“滁州市机电工程学校学校教室手机充电柜安装工程项目”项目招标活动,全权代表本单位处理投标报价过程的一切事宜,包括:投标、参与开标、谈判、签约等。报价人代表在投标过程中所签署的一切文件和处理的一切事务,本单位均予以认可,并对此承担责任。报价人代表无转委权。特此授权。

本授权书自出具之日起生效。

                      

                         投标人 (全称并加盖公章):            

                         法定代表人签字:                          

                         被授权方签字:                                  

                         日    期:                          

4、报价函

型号

数量

综合单价

小 计(元)

柜高1000mm

(门尺寸355mm*187mm)

 185台

元/台

柜高950mm 

(门尺寸355mm*175mm)

  35台

元/台

投标总报价

                元

备注:以上报价含充电柜制作、安装和调试,踢脚线的拆除、修补和垃圾的清运,总电源线安装(含管线,线径BV2.5铜芯)等一切费用,具体制作安装要求详见后附图纸

单位名称:                 (公    章)   

 

 日    期:                                  

5 合同协议书

发包人(全称):                       

承包人(全称):                      

根据《中华人民共和国合同法》、《中华人民共和国建筑法》及有关法律规定,遵循平等、自愿、公平和诚实信用的原则,双方就                              工程施工及有关事项协商一致,共同达成如下协议:

    一、工程概况

1.工程名称:       。

2.工程地点:       。

3.工程内容:       。

4.工程承包范围:

   

 。

   二、合同工期

计划开工日期:年月日。

计划竣工日期:年月日。

工期总日历天数:天。工期奖罚:每提前或延误工期一天,对等奖罚100元。

    三、质量标准

工程质量符合标准。

    四、签约合同价与合同价款支付方式

1.签约合同价为:人民币(大写)                 (¥            元);

2.合同价款支付方式:                                  。

    五、项目负责人

承包人项目负责人:                     。

    六、承诺

1.发包人承诺按照法律规定筹集工程建设资金并按照合同约定的期限和方式支付合同价款。

2.承包人承诺按照法律规定及合同约定组织完成工程施工,确保工程质量和安全,不进行转包及违法分包,并在缺陷责任期及保修期内承担相应的工程维修责任。

3.发包人和承包人通过招投标形式签订合同的,双方理解并承诺不再就同一工程另行签订与合同实质性内容相背离的协议。

七、 争议解决

因合同及合同有关事项发生的争议,按下列第 (2 )种方式解决:

(1)向滁州市                 仲裁委员会申请仲裁;

(2)向滁州市                 人民法院起诉。

 八、签订时间

本合同于         年    月    日签订。

    九、签订地点

本合同在                                    签订。

    十、补充协议

合同未尽事宜,由合同当事人遵照国家有关法律、法规和规定,另行签订补充协议,补充协议是合同的组成部分。

    十一、合同生效

本合同自                                   生效。

    十二、合同份数

本合同一式    份,均具有同等法律效力,发包人执    份,承包人执    份。

发包人:  (公章)                      承包人:  (公章)

                                 

法定代表人或其委托代理人:           法定代表人或其委托代理人:

(签字)                             (签字)

地  址:                地  址:        

电  话:              电  话:     

电子信箱:                            电子信箱:   

附:手机柜图纸